
YB-150A/ YB-150B精密压力表主要与压力校验装置配套使用来校验工业用普通压力表的精密级压力表,精密压力表精度有0.4级与0.25级,精密压力表也可对铜合金和合金结构钢等材质无腐蚀性、非结晶、非凝固性介质的压力进行精确的测量;根据工艺现场有振动的场合精密压力表可以做成耐震型精密压力表来对工艺参数测量。
精密压力表结构:
YB-150系列精密压力表由测压系统、传动机构、指示装置和外壳组成。精密压力表的测压弹性元件经特殊工艺处理,使精密压力表性能稳定可靠,与高精度的传动机构配套调试后,能确保正确的指示精度。
精密压力表的工作原理:
当被测介质的压力作用于弹性元件后,使其产生弹性变形、位移,经拉杆带动传动机构放大,由指示装置指示被测压力。
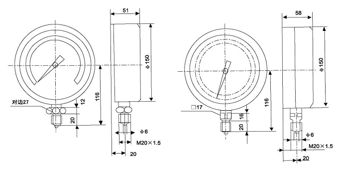
精密压力表的外形尺寸:
精密压力表主要技术指标:
○精密压力表测量范围、精确度等级及特点
|
型号
|
弹簧管材料
|
测量范围MPa
|
精度等级%
|
结构特点
|
|
YB-150A
|
锡磷青铜
铬钒钢
不锈钢304 |
-0.1~0;0-0.1;0-0.16;0-0.25
;0-0.4;0-0.6;0-1;0-1.6;
0-2.5;0-4;0-6;0-10;
0-16;0-25;0-40;0-60
|
0.4
|
镜面
|
|
YB-150B
|
0.25
|
镜面
|
○YB-150系列精密压力表使用环境条件:5~40℃,相对湿度不大于80%,且环境震动和压力源的波动对仪表的精确读数无影响。
○YB-150系列精密压力表温度影响:使用环境温度如偏离20±3℃(A型)或20±2℃(B型)时,则须考虑温度附加误差0.4%/10℃
○精密压力表有普通精密压力表、不锈钢精密压力表、不锈钢耐震精密压力表系列产品
○精密压力表作为精密级压力表,在每使用6个月后需要经过当地的计量测试部门重新校准后再投入使用。
○为适应不同的使用环境,精密压力表在材质上有普通型与不锈钢材质;功能上有YBN-150A与YBN-150B型耐震型精密压力表(不锈钢材质)。
○YB-150系列精密压力表重量:1kg(A型) 1.4kg(B型)