
小口径面板式有机玻璃转子流量计亦称面板式流量计,其被广泛应用于测量微小流量的液体或者气体的体积流量,其主要对工作压力小于0.6MPa;工作温度小于60℃的介质的流体流量测量,主要特点是质量轻、刻度清晰、不易碎、使用寿命长。
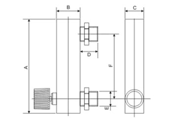
面板式有机玻璃转子流量计(小口径)流量及尺寸技术参数
| 型号 | 测量范围 |
接口 螺纹 |
精度 | 外形尺寸 | ||||||
| ml/min(液体) | L/min(气体) | A | B | C | D | E | F | |||
| ZHLZBY-4MZT |
6~60 8~80 40~400 |
0.05~0.5 0.1~1 0.2~2 0.25~2.5 1~4 0.6~6 1~5 1~10 1~12 |
φ6快插 连接 |
4% | 94 | 27 | 21 | 14 | 14 | 70 |
| ZHLZBY-6MZT |
6~60 16~160 10~70GPH 25~250 80~400 100~500 100~600 200~800 100~1000 |
0.1~0.8 0.1~1 0.1~1.5 0.3~3 0.4~4 0.5~8 1~5 1~12 2~10 2~20 3~15 3~30 4~20 5~25 6~30 10~60 10~70 10~100 0.05~0.25m³/h 0.04~0.4m³/h |
内G1/4 | 102 | 30 | 25 | 20 | M18*1.5 | 77 | |
| ZHLZBY-8MZT |
2.5~25LPH 5~45LPH 6~60LPH |
0.16~1.6m³/h 0.1~1m³/h 0.2~2m³/h |
110 | 25 | 25 | 20 | M18*1.5 | 80 | ||
产品外形图:
面板式有机玻璃转子流量计零部件材质及代码
| 有无调节阀 | 调节阀材质 | 接咀材质 | O型圈材质 |
|
T-有调节阀 O-无调节阀 |
√1、黄铜 2、不锈钢 |
√1、黄铜 2、黄铜镀铬 3、不锈钢 |
√1、硅橡胶 2、氟塑橡胶 3、丁晴胶 |
注:“√”为正常产品配置