
YE-()B系列不锈钢膜盒压力表是一种用于测量微压、负压或正负压的机械式仪表,其核心结构基于波纹膜盒作为敏感元件,根据普通膜盒压力表的结构原理选择不锈钢材质提升耐腐蚀性的微压测量仪表。不锈钢膜盒压力表的导压系统及外壳均采用不锈钢材料制成,应用于耐腐蚀要求较高的工艺流程中的各种气体介质的微压和副压的测量,适用于锅炉通风、气体管道、燃烧装置等及其它设备的严苛环境上。
一、不锈钢膜盒压力表结构与工作原理:

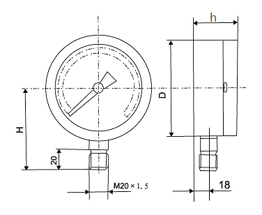
1、结构:
二、不锈钢膜盒压力表主要技术参数:
| 型 号 | 结构形式 | 量程范围:KPa | 精度:% |
|
YE-60B YE-60BF |
径向 | 0~4;6;10;16;25;40;60 | 2.5 |
|
YE-100B YE-100BF YE-150B YE-150BF |
径向 |
正压:0~1;1.6;2.5;4;6;10;16;25;40;60 负压:-1~0;-1.6~0;-2.5~0;-4~0;-6~0; -10~0;-16~0;-25~0;-40~0;-60~0; 正负压:-0.5~+0.5;-0.8~+0.8;-1.2~+1.2;-2~+2;-3~+3; -5~+5;-8~+8;-12~+12;-20~+20;-30~+30 |
|
|
YE-100BZ YE-100BFZ YE-150BZ YE-150BFZ |
轴向无边 | ||
|
YE-100BZT YE-100BFZT YE-150BZT YE-150BFZT |
轴向带边 |

| 型 号 | 外型尺寸 mm | ||
| D | H | h | |
| YE-100B | 100 | 90 | 50 |
| YE-150B | 150 | 120 | 44 |